
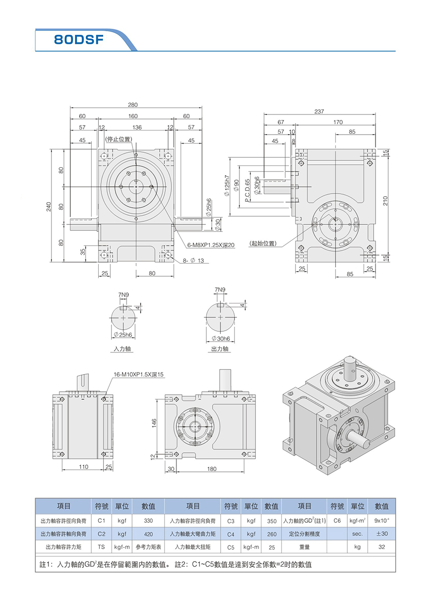
DSF心轴凸缘型系列介紹
產品規格:
45DSF、 60DSF、 70DSF、 80DSF、 110DSF、
140DSF、 180DS
功能:
此系列機種結合了心軸型和凸緣之優勢,即有心軸
又有凸緣法蘭。其使用範圍更加廣泛,使用更加方
便。本機種也是本公司為了一些新客戶選型方便而
設計。
詳細規格
更多產品資訊,請點選以下型號:
規格詳情

















