
DA超薄平台桌面型系列介紹
            產品規格:
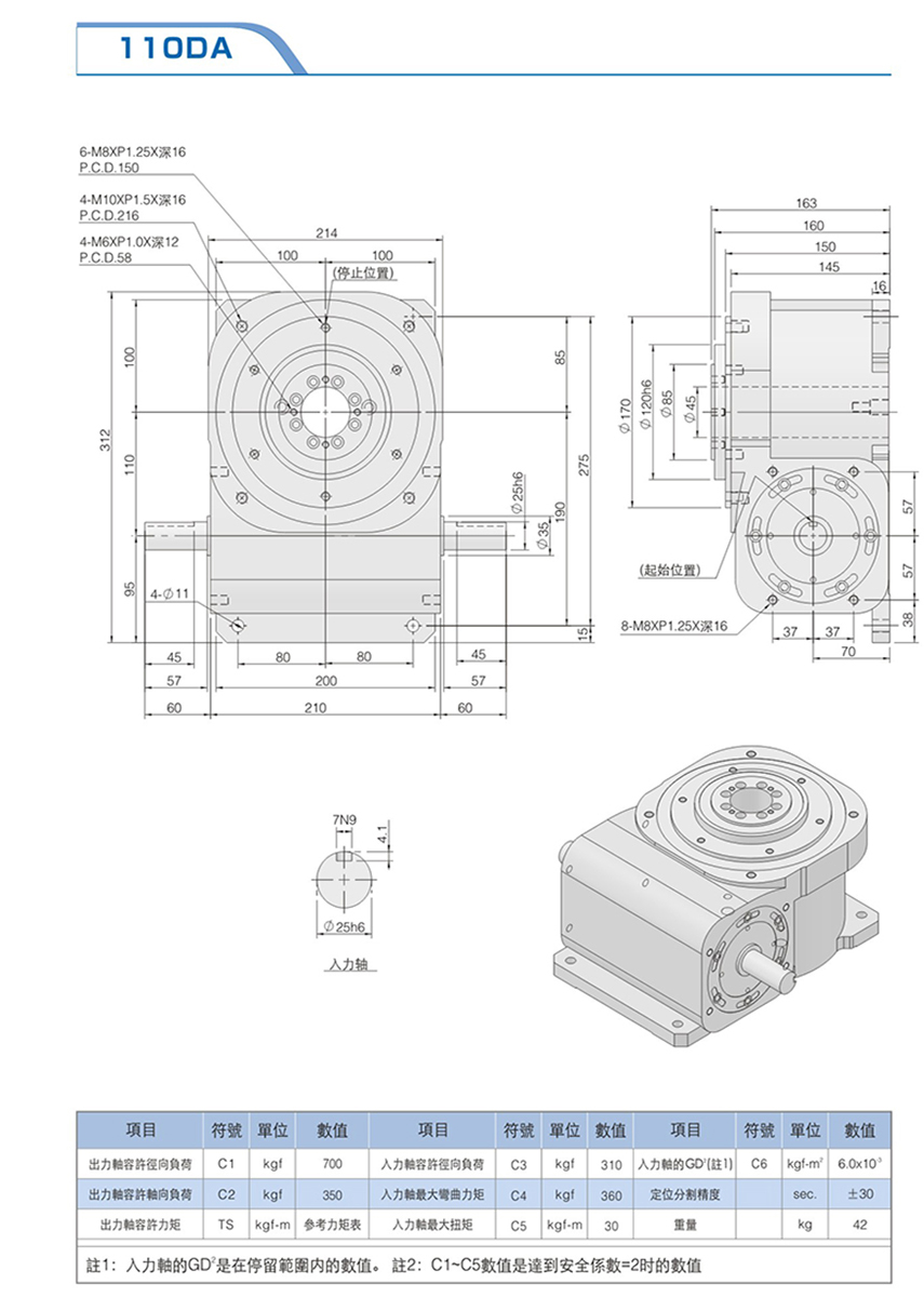
70DA、90DA、 110DA、 150DA、 190DA、230DA、 330DA、450DA
功能:
此系列機種為典型傳統式心軸造型,其安裝配件之加工安裝配合齒輪、聯軸 器或聯軸盤,需特別注意孔徑公差(+0.015/-0)及鍵槽公差(+0.015/-0),其使用 場合在輸送帶驅動、齒輪驅動、無間隙聯軸器結合驅動居多。
            70DA、90DA、 110DA、 150DA、 190DA、230DA、 330DA、450DA
功能:
此系列機種為典型傳統式心軸造型,其安裝配件之加工安裝配合齒輪、聯軸 器或聯軸盤,需特別注意孔徑公差(+0.015/-0)及鍵槽公差(+0.015/-0),其使用 場合在輸送帶驅動、齒輪驅動、無間隙聯軸器結合驅動居多。
                詳細規格
                更多產品資訊,請點選以下型號:
                
            
        規格詳情




















